Jump to content
Schiffsmodell.net

Futterboot Beleuchtung


Guest Mario1977

Recommended Posts

Guest Mario1977
Posted

Guten Abend,

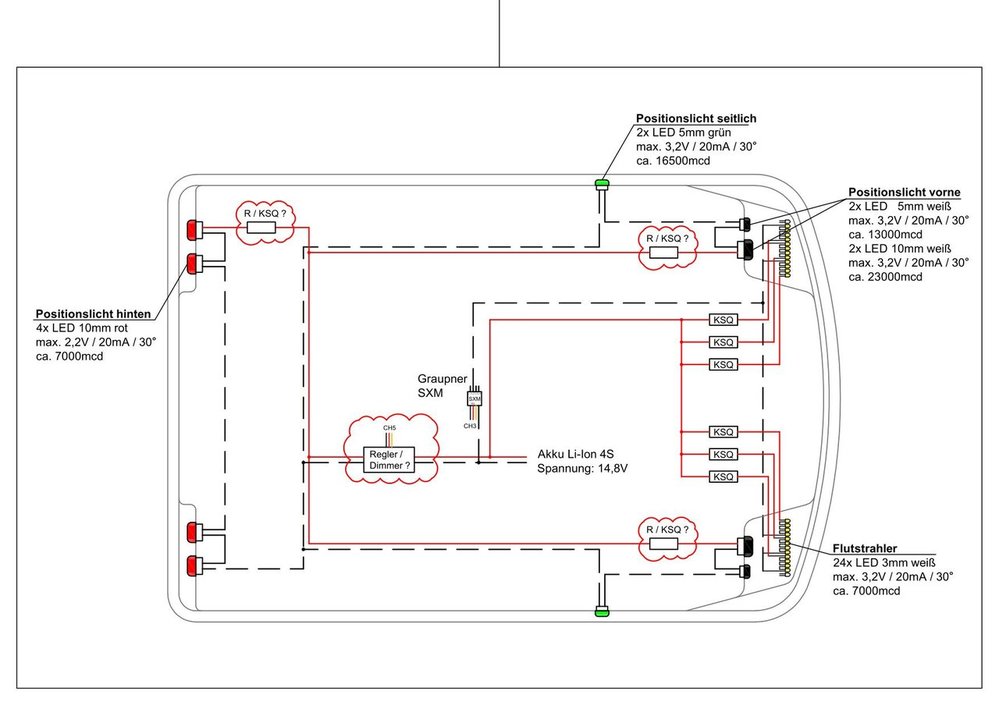
ich plane momentan ein neues Projekt und möchte gern mit Euch vorab einen Blick auf die Beleuchtung der Oberschale werfen.

Die Beleuchtung besteht aus einem Tagfahrlicht welches über ein Graupner SXM Schaltmodul geschaltet werden kann und über ein Nachtfahrlicht welches über einen Regler (Dimmer Modul) stufenlos von der Helligkeit eingestellt werden kann.

Könnte jemand den Plan prüfen ob das ganze so Sinn macht und funktioniert?

 

Gruß Mario

Beleuchtung OS_02.jpg

Posted

Moin

wie ich das sehe hast du das Tagfahrlicht und die Frontscheinwerfer zusätzlich über einen Spannungsregler laufen. Warum? Da du hoffentlich an passende Vorwiderstände oder KSQ vor jeder LED denkst sehe ich da keinen Sinn drin. Und dann hätte ich erwartet, dass das SMX zwischen LED und Spannungsregler kommt. So wies derzeit den Spannungsregler steuert kommts mir komisch vor.

Die 12V Spannungsregelung kann ich noch verstehen, wenn der Dimmer nicht mehr verträgt. Ansosnten auch hier wieder: Wozu?

Also ich würde mindestens die 3,3V Spannungsregler raus werfen und prüfen, ob man den 12V wirklich braucht. Jede LED muss ohnehin über einen angepassten Vorwiderstand laufen.

 

Ich seh grad du hast 12V und 3,3V an die LED geschrieben. Also hier prüfen woher die Angabe kommt. bei den 12V würde ich vermuten das sind fertig verschaltete mit Vorwiderstand für 12V. Kann gut sein, dass die auch mehr vertragen. Datenblatt prüfen, ob die das was der Akku maximal gibt verkraften. Die 3,3V sind wahrscheinlich der direkte Spannungsabfall an der LED hier wird ein Vorwiderstand nötig werden und dann können die auch auf 12V laufen.

 

26 LED als Tagfahrlicht erscheint mir sehr viel :) das verteile ich auf meine komplette Rumpflänge wahrscheinlich. So dürfte das mehr wie Flutlicht wirken. Zumendest wenn das 3mm LED sind. Mal abgesehn davon, dass der Streifen bei "Kuschelanordnung" schon ordentlich breit wird. Je nach Ausführung können da ganz schön Ströme zusammenkommen.

Um das zu reduzieren lassen sich LED bei ausreichend Spannungsversorgung auch in Reihe schalten. Vorwiderstand nicht vergessen(oder KSQ, weiß nicht, ob die hier mit dem PWM des Dimmers klarkommen, sofern er danach arbeitet).

So das meine Gedanken dazu.

 

Grüße

 

Daniel

Posted

Hallo Mario,

deine Schaltung sieht danach aus, als wären alle LED parallel an die Spannungsversorgung angebunden. Das bedeutet, dass in der KSQ (oder dem Vorwiderstand) die Spannungsdifferenz zwischen Versorgungsspannung und LED verbraten werden muss. Günstiger wäre es, mehrere LED in Reihe zu schalten; z.B. 3x 3,2 V erzeugen an den LED's 9,6 V Spannungabfall, so dass nur noch die restlichen 6,8 V (16,4 - 9,6) an der KSQ (dem Widerstand) anstehen. (Bei der Lichtsteuerung in meinem Baubericht kannst du sehen, wie ich das meine)
Auf jeden Fall solltest du noch einmal alle Ströme deines Flutlicht-Bootes zusammenzählen - nicht dass am Ende die Beleuchtung mehr Strom schluckt als der Antrieb. So ganz erschließt sich mir auch der Sinn der 26 LED's als Tagfahrlicht nicht. Wenn du so viele brauchst, um das Boot noch gegen Sonnenschein sichtbar zu machen, ist es doch ohnehin hell genug, um das Boot im Auge zu behalten.

Guest Mario1977
Posted

Hi Daniel und JL,

ich hab mal wieder vergessen zu erwähnen das ich von Modellbau und von Elektrik erst recht kaum Ahnung hab und darum möchte ich mein neues Projekt gern mit Euch gemeinsam planen.

Es wird ein neues RT4 Futterboot aufgebaut welches ich als Bausatz erworben habe und einiges nach meinen Vorstellungen ändern möchte.

Die Frontscheinwerfer mit den vielen kleinen LEDs, ich nenn es mal Tagfahrtlicht sind im Bausatz vorhanden, die hinteren vier und seitlichen zwei LEDs (mit Vorwiederstand) sind auf meinem Mist gewachsen.

hier mal ein Bild der vorderen Scheinwerfer mit den vielen LEDs

Gruß Mario

B306AB39-1068-4091-93AE-06DA8EAC6A45.jpeg

Posted

Uuiiaa, das sollte leuchten und wie!

Aber auch Strom fressen, wie JL geschrieben hat. Insbesondere, weil das nicht die kleinen SMD LEDs sind. Da würde ich mal messen oder probieren wie lange der Akklu durchhält.
Noch ein Punkt: Das Positionslicht auf der (in Fahrtrichtung) linken Seite sollte rot sein und nicht grün.....

Guest Mario1977
Posted

Die 4 hinteren LEDs und die 2 seitlichen LEDs die mir sehr gut gefallen hab ich leider nur mit Vorwiederstand gefunden.

131BDFA2-4C98-45B7-A7E5-2DDB1C3B2380.jpeg

Posted

Such mal bei den einschlägigen Händlern nach LED und passenden Halterungen (nicht Signalleuchten), da sollte sich auch noch mehr Auswahl finden lassen, die ein ähnliches Bild ergeben. Die Signalleuchten sind z.B. als Ersatz für Glühbirnen in bestehenden Anwendungen gedacht, daher sind sie schon mit Vorwiderstand für eine bestimmte Spannung konfiguriert. Und in einer stationären Anwendung (Schaltpult) ist der Stromverbrauch nicht so kritisch.

Posted

Ich hab grad mal nach dem Boot geschaut und da stellt sich mir schonmal von vornherein die Frage, was bei deinem Bausatz schon dabei ist. Bei der Aufstellung, die ich gefunden habe, sind die LED im Lieferumfang und anscheinend nur nicht montiert. Warum die allerdings nur drei Widerstände rein packen bleibt offen. Zumindest für die 12V LED wären mehr nötig, wenn ich richtig zähle. Es sein denn es sit vorgesehen mehrere parallel an einem Vorwiderstand zu betrieben. Naja kann schief gehn und ist daher nicht die schönste Option. Ebenso wie anscheinend die Versorgung der weißen LED über eine Konstantspannungsquelle mit 3,3V laufen soll. Auch hier wieder konstante Spannung kann LED immernoch killen, auch wenns eigentlich passt.

Von der Schaltung ist es wohl ao vorgesehen, dass die Bänder aus den 26 3mm LED als Flutstrahler vorgesehen sind. Die 4 anderen als Positionslichter und damit quasi Tagfahrlicht. Sorum ergibt es auch Sinn.

Die Begründung für den Dimmer finde ich etwas unsinnig, von wegen Anpassung an die Lichtverhältnisse. Ich behaupte die Optionen an und aus sind ausreichend.

Sofern die LED tatsächlich noch nicht vorverdrahtet sind würde ich es in dieser Weise gestalten (sofern alle Lichter genutzt werden sollen):

Flutlichter (26): 3,3V Konstantspannungsquelle raus. Herausfinden wie viel über eine LED abfällt. Gehen wir von den 3,3V aus, dann jeweils 4 davon in Reihe mit einer KSQ wie diesen hier schalten. Diese Pakete jeweils parallel und über das SMX geschaltet.

Positionslichter (alle andren): Überlegen, ob die Dimmung gebraucht/genutzt wird. Wenn nein, dann ähnliche Vorgehen wie bei den Strahlern. Die weißen dürften auch mit 3,3V laufen und könnten alle vier in Reihe an eine KSQ. Die Roten und seitlichen Positionslichter sofern ohne Vorwiderstand können auch zusammengefasst werden. Rote LED üblicherweise mit 2-2,5V also auch alle vier roten Rücklichter in reihe an eine KSQ. Die Seitlichen in reihe an eine KSQ. Die einzelnen Positionsblöcke parallel über einen weiteren Schalter des SMX (ich gehe davon aus das hat mehr als einen).

Soll der Dimmer bleiben müssten die KSQ durch passende Vorwiderstände ersetzt werden, oder getestet, ob die KSQ mit einer PWM klar kommen. Es sei denn, der Dimmer ist analog, dann würde ide KSQ das schaffen, aber der Dimmeffekt tritt erst ein, wenn die Versorungs/Ausgangsspannung unter die summierte Durchflussspannung der LED fällt. Ob das die KSQ auf Dauer mag, hab ich noch nicht getestet. In dem Fall also auch testen oder auf Widerstände wechseln.

 

So ich hoffe ich habe nicht nur Verwirrung gestiftet und nichts vergessen. Schaltbild kann ich bei Bedarf mal versuchen schön zu zeichnen.

 

Grüße

 

Daniel

Guest Mario1977
Posted

Hallo Daniel,

der Bausatz vom RT4 ist etwas abgespeckt und ich möchte einige Komponenten austauschen.

Die Dimmung der insgesamt 10 Positionslichter ist mir sehr wichtig und im Bausatz nicht vorgesehen.

Die Flutstrahler werden nur bei Bedarf dann zugeschaltet.

Ich werde heute Abend die Zeichnung überarbeiten damit wir Stück für Stück dem Ergebnis näher kommen.

Wie JL geschrieben hat werde ich mir LEDs ohne Vorwiederstand raus suchen für die hinteren und seitlichen Positionslichter. Die vorderen Scheinwerfer werden mit den Komponenten aus dem Bausatz bestückt.

Danke für Eure Hilfe!

Posted (edited)

Ok. Dann wäre es wahrscheinlich gut etws über den Dimmer zu erfahren. Ich kann mal, wenn meine Schwester wieder da ist fragen, ob sie mir mal ihren Arduino als PWM-Generator geben kann, um die KSQ dahingehend zu testen. Oder eben Widerstände. Ich habe die meisten meiner LED (außer den Pinken) beim gleichen Anbieter der KSQ von oben bestellt. Ging sehr schnell, bis ich die hatte und Preis-Leistung war ganz gut. Vergleichen hilft natürlich immer.

 

Daniel

 

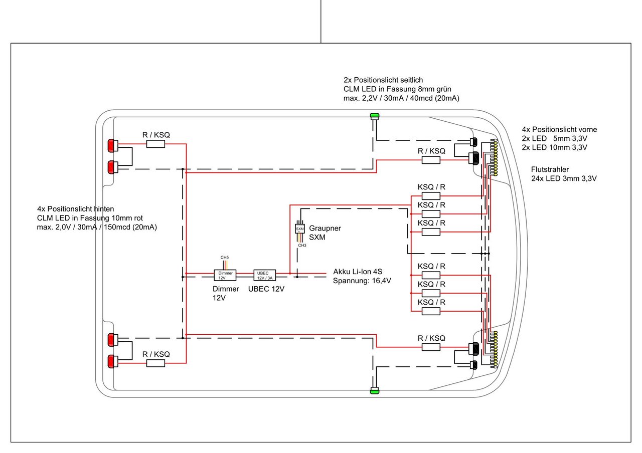
Edit: Ich hab mal dein Schaltbild so gestaltet, wie ichs mir vorstellen könnte. KSQ/R können jeweils gewählt werden zwischen Widerstand und KSQ, wobei ich meine Präferenz bzgl Umgang und Sicherheit vorangestellt habe. Eine LED bei den Strahlern ist nicht verdrahtet, weil drei Viererpacks gut gehn und eine übrig bleibt dann. Die muss halt seperat angeschlossen werden, oder weg. Ich hoffe man erkennt, worauf ich hinaus will. Die 12V Spannungsregelung sollte auf Notwendigkeit geprüft werden, aber ich hab sie nochmal drin gelassen.

Schaltbild_Futterboot.thumb.jpg.23fa403bd53e82f49f7488dbfae96164.jpg

Edited by DJK94
Guest Mario1977
Guest Mario1977
Posted

Zum Thema Licht Dimmer Modul.


Ich habe in meinem jetzigen Futterboot 10 LEDs verbaut mit Vorwiederstand die an folgendem 12V Modul angeschlossen sind.

https://www.carp-madness.de/Futterboot-Relais-fuer-dimbares-Licht-per-Funk

Ich weiß daraus wird man nicht schlau. Im Grunde schaut das Ding aus wie ein kleiner Regler. Ich werde mal am Wochenende den genauen Typ durchgeben.
Ich bin aber auch über alternativen dankbar.

Posted

Hallo Mario,
check nocinmal die Verdrahtung hinsichtlich einfacherer Aufbau. Die roten LED's haben eine Durchlassspannung von 2 V, wenn du alle vier in Reihe schlatest, dann bleiben immer noch ca. 4 V fürs Arbeiten der KSQ zu deinen 12V Versorgunsspannung übrig.
Die andere Frage ist natürlich, warum erst von 16,4V auf 12V und dann noch KSQ. Die KSQ (hinreichende Spannungsfestigkeit vorausgesetzt, kannst du auch direkt an der Versorgunsspannung betreiben. Dabei würde ich als Nennspannung die eines nahezu leeren Akkus nehmen, dann bist du auf der sicheren Seite.

Guest Mario1977
Posted

Hi JL,

bis gestern habe ich nicht mal gewusst was ein KSQ ist und wie der funktioniert weiß ich immer noch nicht richtig.

Hier übrigens der Schaltplan aus dem Bausatz ohne Dimmerfunktion der Positionslichter.

Gruß Mario

C0AE4C8D-FA56-4AFD-8570-94F09D2C514B.jpeg

Posted

Hallo

Stimmt da hab ich wohl übersehn, die hinteren können tatsächlich alle vier in Reihe.

Also mal abgesehn davon, dass deine Vorschläge extrem teuer sind, sind das mehr Signalfunzeln. Klar sind die Helligkeitsangaben immer so ne Sache, aber die sind schon sehr niedrig angegeben und da erwarte ich auch nicht so viel. Ich schätze, wenn du die tagsüber noch erkennen willst wirds eng.

Ich würde jetzt nach kurzer Suche an LED die in den Raum werfen. Gibts in Rot und Grün. und du bekommst für weniger Geld direkt einiges mehr an LED :)

Dazu zum Beispiel diese Fassungen. Haste bisschen was fürs nächste Projekt und daher auch die Grüne mit in 10mm. Könnte zum einen komisch aussehen, wenn du links und rechts unterschiedlich große LED hast und so brauchste nur einen Satz Fassungen. Oder halt beide Seitlichen auf 8/5mm.

Die Aussage zum Dimmer auf der Seite geht ja mal gegen Null. Und wenn sie shcon sagen, dass sie da immermal wechseln, super Service:ohno:.
Aber gut ist halt für "dumme" Angler (überhaupt nicht böse, aber halt nicht mit weitem Modellbau und Elektronikwissen als Zielgruppe angepeilt) gemacht. Wenn du sagst dein Modul sieht wie ein Regler aus, kann ich mir durchaus vorstellen, dass die tatsächlich welche nehmen. In dem Fall wird die Eingangsspannung einfach per PWM getaktet. Dann müsste man schaun, ob KSQ damit umgehn können, oder ob die den konstanten Strom brauchen , um die interne Regelung zu halten. Ich gebe zu ich hab mir die Funktionsweise nicht angeschaut. Aber Regler, die die geringen Ströme abkönnen gibts für unter 30€. Da lässt sich sicher was finden. Wobei wenn ich mich richtig erinnere, dann liegen die üblichen Dimmer mit ihren PWM-Frequenzen eher um 100Hz. Die Relger ja meistens um X kHz. Das sollte aber kein Problem geben für die LED. Entweder ich komm noch dazu eine KSQ auf PWM-Verträglichkeit zu testen, oder empfehle für alles am Dimmer auf Vorwiderstände zu setzen. Ist auch nichts falsches dran.

 

So und direkt mit auf dein letztes Antworten, wenn schon dazwischen kommt :D

Ja wie genau die KSQ das macht hab ich mir auch nicht angeschaut. Derzeit muss ichs nicht wissen, von daher schau ichs an, wenns mich dann interessiert.

Zu dem "Schaltplan" kann ich nur sagen: Da hat sich ja mal jemand richtig Mühe gegeben das verständlich zu machen. Aufn ersten Blick schonmal nichts klar. Was sind die grauen Kästen neben dem Dimmregler/Schalter? Da ist dein Plan schon wesentlich hilfreicher :)

So ich hoffe mal wieder alles gesagt zu haben.

 

Grüße

 

Daniel

Posted
vor 15 Minuten, Mario1977 schrieb:

...bis gestern habe ich nicht mal gewusst was ein KSQ ist...

Wenn wir zu viel voraussetzen, musst du uns bremsen...;)

Zum Schaltplan: Kann man so machen, ist aber nicht optimal. Grundsätzlich solltest du auch die Datenblätter für die LED's zu Rate ziehen. 150 mcd bei 20 mA Strom ist nicht besonders effizient, das geht auch besser.

Guest Mario1977
Posted

Bei den Signalleuchten hat mir IP-Schutzklasse gefallen.

Wie dichtet ihr die LEDs in den Fassungen ab???

Posted

Ich hab bisher keine Fassungen genutzt. Da ein Ersatz übicherweise nicht vorgesehen ist werden die schlicht eingeklebt und damit ist der Durchbruch abgedichtet.

Ansonsten würde ich es bei den Fassungen so machen, dass ich die LED mit Kleber darin abdichte und die Klemmung die Absichtung der Fassung gegen den Rumpf übernehmen lasse.

Für mich war die nur ein Optisches Detail an dem Schiff.

 

Daniel

Guest Mario1977
Posted (edited)

Nochmal für mein Verständnis. Die KSQ benötig 4-24V Eingangsspannung und liefert konstant 20mA und Ausgangsspannung passt sich an?

Leerer Akku ist 12V minus 4V Mindestspannung für die KSQ bedeutet ich kann max. mit 8V rechnen?

Dann wäre es doch besser bei dem Flutstrahler drei LEDs 3mm 3V jeweils in Reihe zu schalten oder nicht?

Und die hinteren vier LEDs 10mm 2V wie schon erwähnt an einen KSQ.

 

Edited by Mario1977
Posted

Also der erste Teil ist korrekt. Die KSQ nimmt eine weite Spanne von Eingangsspannungen und gibt davon-wie auch immer- so viel weiter, dass sich der eingestellte Strom (20mA) einstellt. Dieser wird auch bei schwankender Eingangsspannung nach Möglichkeit konstant gehalten. Daher KonstantStrom.

Allerdings bedeutet die 4V Mindestspannung nicht, dass diese über die KSQ abfallen. Sonst könnte bei dieser Spannung ja gar keine Spannung mehr weitergegeben werden. Der Wert kommt mehr dadurch zustande, dass gerechnet wird für LED, die 3V Spannungsabfall haben. Dazu kommt dann etwa 1V, das an der KSQ abfällt.

Meinen Beobachtungen mit denen, die ich da hab ist, dass ab 1V über summierter LED-Spannung fast die volle Helligkeit erreicht ist. ab 1,5V ist praktisch die volle Helligkeit erreicht. Demnach kannst du für die KSQ 1-1,5V abziehen. Und mit 12V für leeren Akkku brauchst du nciht rechnen, da er dann bereits tiefentladen kaputt ist. Unter Last sollte die Spannung kaum unter Nennspannung fallen. Daher würde ich als untere Grenze 12,8V annehmen. Von daher gehn 4 von den Weißen durchaus. bei leerem Akku werden sie nur etwas dunkler, aber dann musst du eh schon zurück, weil der Motor jeden Moment schlapp amcht.

 

Hoffe verständliche erläutert zu haben.

 

Daniel

Guest Mario1977
Posted

Danke Daniel für deine Erklärung, so kann ich das auch etwas besser verstehen.

Werde dann einzelne Fassungen und LEDs kaufen.

Hast du die Möglichkeit zu prüfen ob man mit den KSQ Dimmen kann?

Wenn man Nachts mit dem Boot raus fährt blenden die LEDs häufig weil man die Dunkelkeit gewöhnt ist und da habe ich bisher immer den Dimmer gern benutzt.

Gruß Mario

 

PS: gibt es qualitativ gute LEDs (Markenhersteller) oder kann ich einfach bei ebay bestellen?

 

FD53993A-D3BC-43E4-A619-F9732E2C2576.jpeg

Posted

Hallo Mario,
Dimmen mit einer KSQ hängt von deren Aufbau ab. Wenn sie einfaches Ein-Ausschalten und dazu noch die nötige Schalt-Frequenz verträgt, dann ja. Es gibt aber auch KSQ's (für höhere Ströme), die selbst so eine art Schaltnetzteil sind (kannst du an der Spule in der Schlatung erkennen); die dürften das nicht vertragen. Von KT-Electronic gibt es aber auch KSQ's mit einem Eingang zum dimmen (die habe ich für mein Boot genommen).
Wenn du nachts nicht geblendet werden willst, könntest du auch von den weißen LED's zu roten oder orange umsteigen, das belastet das Auge nicht so.

Lieferanten von LED'S findest du z.B. in unserer Linkliste. Wenn du nach "guten" LED's schaust, dann würde ich immer das Datenblatt zu Rate ziehen. Wenn der Anbieter keine Datenblätter zur Vefügung stellt, muss das natürlich nciht heißen, dass seine Produkte schlecht sind. Aber wenn die Konkurrenz bei gleichem oder ähnlichen Preis das Datenblatt liefert und auch den Hersteller benennt, dann würde ich dort zuschlagen.

Posted

Hallo Mario

Ich muss mal schaun, ob ich eine PWM-Quelle finden kann, um das zu testen. Mein vorhandener Bürstenregler ist glaube ich verlötet und BL dürfte nicht funktionieren.

Dimmbare KSQ kann ich jetzt nichts zu sagen. Von der Qualität her mag es Unterscheide geben. Ich wage aber zu behaupten, dass wir die solange sie nicht an den Grenzen betrieben werden selten merken werden. Hilfreich sind allerdings wirklich Datenangaben. Ansonsten hat Jürgen da wohl schon alles zu gesagt.

 

Daniel

Guest Mario1977
Posted (edited)

Hi Daniel,

kt-elektronic hat mir gesagt das die KSQs aus deinem Link nicht zum dimmen geeignet sind.
Vielleicht kann mir Jürgen noch weiter helfen wenn er auch welche zum dimmen in seinem Boot hat.
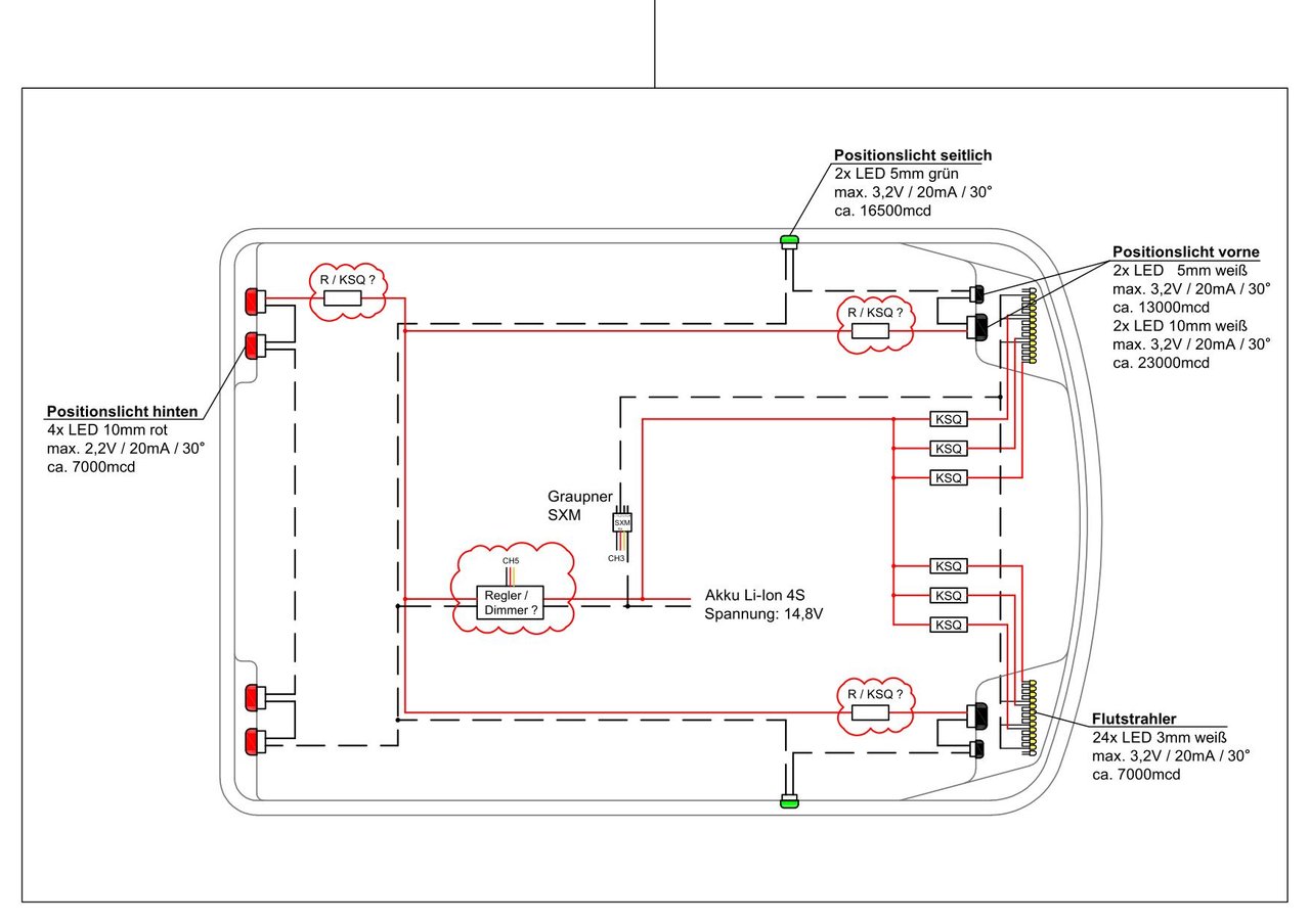
Ich habe mir jetzt neue LEDs ausgesucht und das Schema mal angepasst.

 

Beleuchtung RT4_02.jpg

Edited by Mario1977
Posted (edited)

Ok das ist schonmal gut zu wissen, dann brauch ich nicht mehr testen.

Hat es einen bestimmten Grund, dass die Links und reschts beide Grün hast? Als Nautische (auch Luftfahrttechnische) Positoinsbeleuchtung wäre ja rot links und Grün rechts. (Ich hoffe ich habs nicht vertauscht).

Wenn ansonsten keine dimmbaren zu finden sind auf Widerstände gehn. Oder in Stufen dimmen. Wenn man verschiedene KSQ an jeden Ast packt und dann über den Schalter die Auswählt, die gerade passt. Wird Schalttechnisch nicht schön, aber müsste gehn.

Widerstände wären einfacher, aber wer will das schon?:mrgreen:

 

Die Helligkeitsangaben zu deinen passen jetzt schon wesentlich besser. Wobei man da eh auch vorsichtig sein muss. Meine Weitwinkel sind recht schwach angegeben, aber auch gut hell. Verteilt sich nur auch eine größere Fläche. Die Bestimmungsverfahren sind da eh bisschen seltsam für manche Einheiten. Aber in den Größenordnungen sind sie auf jeden Fall gut sichtbar.

 

Daniel

Edited by DJK94

Join the conversation

You can post now and register later. If you have an account, sign in now to post with your account.
Note: Your post will require moderator approval before it will be visible.

Guest
Reply to this topic...

×   Pasted as rich text.   Paste as plain text instead

  Only 75 emoji are allowed.

×   Your link has been automatically embedded.   Display as a link instead

×   Your previous content has been restored.   Clear editor

×   You cannot paste images directly. Upload or insert images from URL.

×
×
  • Create New...

Important Information

We have placed cookies on your device to help make this website better. You can adjust your cookie settings, otherwise we'll assume you're okay to continue.